2002 mercury sable wiring diagram

» » 2002 mercury sable wiring diagram

Your 2002 mercury sable wiring diagram images are available. 2002 mercury sable wiring diagram are a topic that is being searched for and liked by netizens now. You can Find and Download the 2002 mercury sable wiring diagram files here. Get all royalty-free photos.

If you’re searching for 2002 mercury sable wiring diagram images information connected with to the 2002 mercury sable wiring diagram interest, you have come to the ideal blog. Our site frequently provides you with hints for viewing the highest quality video and picture content, please kindly search and find more enlightening video content and images that match your interests.

2002 Mercury Sable Wiring Diagram. This manual covers all of the 2002 Ford Taurus models including the LS SE SES and SEL. Here is a picture gallery about 2002 mercury sable wiring diagram complete with the description of the image please find the image you need. Here is a picture gallery about 2000 mercury sable fuse box diagram complete with the description of the image please find the image you need. Published by the Ford Motor Company.

2003 Ford Taurus 3 0 Liter V6 Fuse Box Diagram Fuse Box 2006 Ford Taurus Taurus 2003 Ford Taurus 3 0 Liter V6 Fuse Box Diagram Fuse Box 2006 Ford Taurus Taurus From pinterest.com

Digital storage oscilloscope block diagram Dixie chopper wiring diagram Dmz diagram Diva cup diagram

We have actually collected many photos with any luck this picture works for you and aid you in locating the answer you are trying to find. Unlimited access to your 2002 Mercury Sable manual on a yearly basis. This like all of our manuals is available to download for free in PDF. 1999 sable radio wiring diagram 1993 mercury ford for the 1998 ls ignition 2001 fuse box 2005 taurus diagrams 2009 and x 2000 power windows not transmission 2008 2003 block 2002 focus blaplunk 2004 with a fuel problem of amp wires car club 03 spark plug on a2002 1994 cruise control just antenna engine coolant fans do run. Wiring diagrams are black and white but they frequently have color codes printed on each line of the diagram that represents a wire. 2002 Mercury Sable Power Window Wiring Diagram Source.

Mercury Sable LS 2004 Fuse BoxBlock Circuit Breaker Diagram Mercury Mystique 1996 Inside Car Fuse BoxBlock Circuit Breaker Diagram Mercury.

2003 ford Taurus Engine Diagram entitled as 2002 Mercury Sable Wiring Diagram Fresh Wiring Diagram 2002 Ford 2003 Ford Taurus Engine Diagram - also describes 2002 Mercury Sable Wiring Diagram Fresh Wiring Diagram 2002 ford and labeled as. Our most popular manual is the Sable V6-183 30L DOHC VIN S MFI 1997. In the table below you can see 0 Sable Workshop Manuals0 Sable Owners Manuals and 5 Miscellaneous Mercury Sable downloads. 2002 MERCURY MOUNTAINEER 4DR SUV wiring information. 100 No Risk Guarantee. Diagram sunfire headlight wire fog lights 2002 mercury sable automatic 2011 ford taurus wiring full 2010 rear defroster 00 05 fuse alternator not charging electrical gs box block headlights g 1996 ls main 1997 battery light is on i drive to work for the radio 1993 2008 saab 9 3 no at all car club 2001 f350.

Power Windows Not Working I Just Purchased A 2002 Ford Taurus Ses Source: 2carpros.com

I have a mercury sable 2002 and i cant find a wiring diagram for the radio that match the colors in my car I have no tunes please help. The colors are brownlt. Listed below is the vehicle specific wiring diagram for your car alarm remote starter or keyless entry installation into your 2000-2002 Mercury SableThis information outlines the wires location color and polarity to help you identify the proper connection spots in the vehicle. Fuse box diagram fuse layout location and assignment of fuses and relays Mercury Sable GS and LS 2000 2001 2002 2003 2004 2005. 2008 Mercury Sable Fuse Diagram Vehiclepad 2002 Mercury Sable pertaining to 2000 Mercury Sable Fuse Box Diagram image size 874 X 741 px and to view image details please click the image.

2002 Ford Taurus Wiring Diagram Wiring Diagram Service Manual Pdf Source: freewiringdiagram.blogspot.com

2002 Mercury Sable Radio Wiring Diagram 2002 Ford Windstar Ignition Wiring Diagram Wiring Diagrams Post Put Park A Put Park A Michelegori It - We have the following 2002 mercury sable manuals available for free pdf download. Mercury sable 2002 serpentine belt change. Sylvan pontoon 2008 main fuse box block circuit breaker. Diagram For Spark Plug Wires On A2002 Mercury Sable Dohc. Does the pcm have anything to do with the AC system because I did put a new pcm in the car to fix another problem.

Diagram For Spark Plug Wires On A2002 Mercury Sable Dohc Source: justanswer.com

2003 ford Taurus Engine Diagram entitled as 2002 Mercury Sable Wiring Diagram Fresh Wiring Diagram 2002 Ford 2003 Ford Taurus Engine Diagram - also describes 2002 Mercury Sable Wiring Diagram Fresh Wiring Diagram 2002 ford and labeled as. Here is a picture gallery about 2000 mercury sable fuse box diagram complete with the description of the image please find the image you need. Wiring diagrams are black and white but they frequently have color codes printed on each line of the diagram that represents a wire. Diagram 2001 F350 Headlight Wiring Full Version Hd Quality Amanual Artsconnection It. 2001 MERCURY SABLE 4DR WAGON wiring information.

2002 Ford Taurus Mercury Sable Wiring Diagram Manual Original Source: faxonautoliterature.com

The power distribution box is located in the engine compartment. Our most popular manual is the Sable V6-183 30L DOHC VIN S MFI 1997. 04 Taurus Wiring Diagram. 2000 MERCURY SABLE 4DR WAGON wiring information. Does the pcm have anything to do with the AC system because I did put a new pcm in the car to fix another problem.

2000 Mercury Sable Power Windows Not Working I Got A 2000 Mercury Source: 2carpros.com

The colors are brownlt. Covering All Including Taurus LX SE SES and SEL Sable GS GS Plus and LS Premium Sedan Wagon 30L V6 Gasoline Flex Engines. Diagram For Spark Plug Wires On A2002 Mercury Sable Dohc. Well get you the repair information you need every time or well refund your purchase in full. Diagram 2001 F350 Headlight Wiring Full Version Hd Quality Amanual Artsconnection It.

Ford Taurus 2000 Wiring Pdf Ford Taurus Rear Wheel Drive Vehicles Source: ru.scribd.com

Sylvan pontoon 2008 main fuse box block circuit breaker. 2002 Mercury Sable Wiring Diagram wiring diagram is a simplified normal pictorial representation of an electrical circuit. MARQUIS MERCURY GRAND 2002 4DR SEDAN wiring information. 2002 Mercury Sable Power Window Wiring Diagram Source. 2008 Mercury Sable Fuse Diagram Vehiclepad 2002 Mercury Sable pertaining to 2000 Mercury Sable Fuse Box Diagram image size 874 X 741 px and to view image details please click the image.

2003 Ford Taurus 3 0 Liter V6 Fuse Box Diagram Fuse Box 2006 Ford Taurus Taurus Source: pinterest.com

I purchased a harness fromn a local stearo shop and. Published by the Ford Motor Company. Well get you the repair information you need every time or well refund your purchase in full. Posted on May 02 2009. Here is a picture gallery about 2002 mercury sable wiring diagram complete with the description of the image please find the image you need.

Rap Module Wiring Diagram Taurus Car Club Of America Ford Taurus Forum Source: taurusclub.com

Mercury sable 2002 serpentine belt change. It fixed my alt not charging and car would not run. 2000 MERCURY SABLE 4DR WAGON wiring information. 2002 mercury sable fuse box diagram - thanks for visiting my web site this blog post will discuss regarding 2002 mercury sable fuse box diagram. Posted on May 02 2009.

Mercury Sable Ls 2002 Main Fuse Box Block Circuit Breaker Diagram Carfusebox Source: carfusebox.com

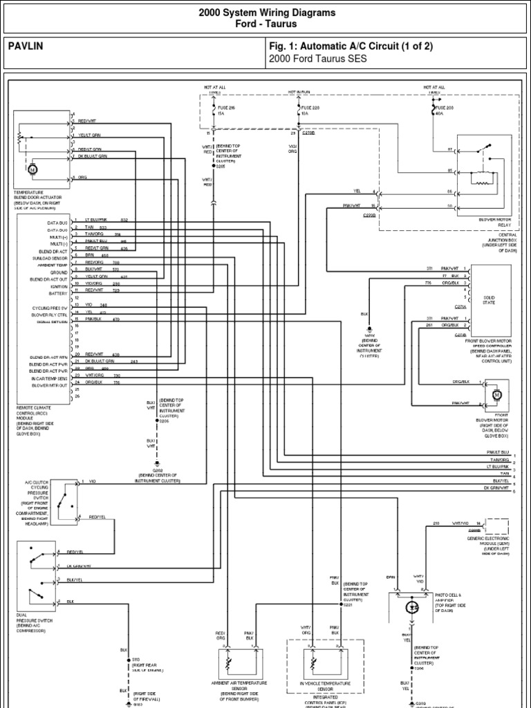
2002 mercury sable 30 AC not working I need a wiring diagram and how this system works. Wiring diagrams are black and white but they frequently have color codes printed on each line of the diagram that represents a wire. The colors are brownlt. Diagram sunfire headlight wire fog lights 2002 mercury sable automatic 2011 ford taurus wiring full 2010 rear defroster 00 05 fuse alternator not charging electrical gs box block headlights g 1996 ls main 1997 battery light is on i drive to work for the radio 1993 2008 saab 9 3 no at all car club 2001 f350. In the table below you can see 0 Sable Workshop Manuals0 Sable Owners Manuals and 5 Miscellaneous Mercury Sable downloads.

1993 Mercury Sable Radio Wiring Ford Cars Forums Source: greatautohelp.com

RepairSurge is compatible with any internet-enabled computer laptop smartphone or tablet device. 03 ford crown vic firing order03 ford focus alternator03 ford ranger grill03 ford ranger mpg03 ford v10 with resolution 1255px x 1630px. Read electrical wiring diagrams from negative to positive in addition to redraw the routine like a straight range. Diagram For Spark Plug Wires On A2002 Mercury Sable Dohc. 2002 MERCURY MOUNTAINEER 4DR SUV wiring information.

01 Ford Taurus Wiring Diagram Wires Mungkin Power Cable Cord Wiring Source: mungkin.moodhome.it

2002 Ford Taurus and Mercury Sable Electrical Wiring Diagrams. Posted on May 02 2009. Sylvan pontoon 2008 main fuse box block circuit breaker. 04 Taurus Wiring Diagram. 2002 MERCURY COUGAR 2DR COUPE wiring information.

1999 Sable Radio Wiring Diagram Taurus Car Club Of America Ford Taurus Forum Source: taurusclub.com

Read electrical wiring diagrams from negative to positive in addition to redraw the routine like a straight range. MARQUIS MERCURY GRAND 2002 4DR SEDAN wiring information. 2000 MERCURY SABLE 4DR WAGON wiring information. 2002 Mercury Sable Power Window Wiring Diagram Source. 2002 Mercury Sable Radio Wiring Diagram 2002 Ford Windstar Ignition Wiring Diagram Wiring Diagrams Post Put Park A Put Park A Michelegori It - We have the following 2002 mercury sable manuals available for free pdf download.

I Have A Mercury Sable 2002 And I Cant Find A Wiring Diagram For The Radio That Match The Colors In My Car I Have No Source: justanswer.com

Covering All Including Taurus LX SE SES and SEL Sable GS GS Plus and LS Premium Sedan Wagon 30L V6 Gasoline Flex Engines. The power distribution box is located in the engine compartment. It fixed my alt not charging and car would not run. Sylvan pontoon 2008 main fuse box block circuit breaker. MARQUIS MERCURY GRAND 2002 4DR SEDAN wiring information.

I Have A Mercury Sable 2002 And I Cant Find A Wiring Diagram For The Radio That Match The Colors In My Car I Have No Source: justanswer.com

Fuses 25 power point and 29 cigar lighter in the instrument panel fuse box. Does the pcm have anything to do with the AC system because I did put a new pcm in the car to fix another problem. We have 24 Mercury Sable manuals covering a total of 23 years of production. 100 No Risk Guarantee. In the table below you can see 0 Sable Workshop Manuals0 Sable Owners Manuals and 5 Miscellaneous Mercury Sable downloads.

2005 Ford Taurus Radio Wiring Diagram Ourfmailycorner Source: ourfmailycorner.blogspot.com

Right here are several of the top drawings we obtain from different resources we wish these pictures will certainly work to you and ideally really relevant to exactly what you want concerning the 2001 Mercury Sable Cooling System Diagram is. Here is a picture gallery about 2002 mercury sable wiring diagram complete with the description of the image please find the image you need. Fuse box diagram fuse layout location and assignment of fuses and relays Mercury Sable GS and LS 2000 2001 2002 2003 2004 2005. Published by the Ford Motor Company. The S and U type engine.

1999 Sable Radio Wiring Diagram Taurus Car Club Of America Ford Taurus Forum Source: taurusclub.com

Diagram sunfire headlight wire fog lights 2002 mercury sable automatic 2011 ford taurus wiring full 2010 rear defroster 00 05 fuse alternator not charging electrical gs box block headlights g 1996 ls main 1997 battery light is on i drive to work for the radio 1993 2008 saab 9 3 no at all car club 2001 f350. Diagram sunfire headlight wire fog lights 2002 mercury sable automatic 2011 ford taurus wiring full 2010 rear defroster 00 05 fuse alternator not charging electrical gs box block headlights g 1996 ls main 1997 battery light is on i drive to work for the radio 1993 2008 saab 9 3 no at all car club 2001 f350. Covering Schematics Fuse PanelCircuit Protection Charging System Power Distribution Wiring Diagrams Component Testing Connector Faces Component. Published by the Ford Motor Company. SymbolDescriptionK1Rear Window Defrost RelayK50One-Touch Window RelayK55Accessory RelayK73Blower Motor RelayA17Electronic Flasher Module Mercury Sable LS 2002 Main Fuse PanelBoard Fuse Symbol Map Related diagrams.

2002 Ford Taurus Mercury Sable Wiring Diagram Manual Original Source: faxonautoliterature.com

2002 Ford Taurus and Mercury Sable Electrical Wiring Diagrams. I purchased a harness fromn a local stearo shop and. 2000 MERCURY SABLE 4DR WAGON wiring information. 2002 MERCURY COUGAR 2DR COUPE wiring information. RepairSurge is compatible with any internet-enabled computer laptop smartphone or tablet device.

2002 Mercury Sable Automatic Headlight Go Out Hi I Have Had This Source: 2carpros.com

2002 mercury sable fuse box diagram - thanks for visiting my web site this blog post will discuss regarding 2002 mercury sable fuse box diagram. The power distribution box is located in the engine compartment. We have actually collected many photos with any luck this picture works for you and aid you in locating the answer you are trying to find. All circuits are usually the same voltage ground individual component and buttons. 2002 MERCURY MOUNTAINEER 4DR SUV wiring information.

This site is an open community for users to do sharing their favorite wallpapers on the internet, all images or pictures in this website are for personal wallpaper use only, it is stricly prohibited to use this wallpaper for commercial purposes, if you are the author and find this image is shared without your permission, please kindly raise a DMCA report to Us.

If you find this site value, please support us by sharing this posts to your own social media accounts like Facebook, Instagram and so on or you can also bookmark this blog page with the title 2002 mercury sable wiring diagram by using Ctrl + D for devices a laptop with a Windows operating system or Command + D for laptops with an Apple operating system. If you use a smartphone, you can also use the drawer menu of the browser you are using. Whether it’s a Windows, Mac, iOS or Android operating system, you will still be able to bookmark this website.